티스토리 뷰
2019/04/10 - [자동차 & 선박 디젤 엔진 ] - INSTRUCTION MANUAL HEAVY DIESEL ENGINES!!
INSTRUCTION MANUAL HEAVY DIESEL ENGINES!!
Information sharing on diesel engines I am a Korean. Please understand even if I am not good at English. As I am interested in korea ship engines and korea car engines, I would like to share the inf..
ezexec2.tistory.com
Ship Engine Basic Configuration
The Diesel is designed as a high-speed, general-purpose diesel engine on the basis of our own research efforts, and has been delivered to many users both at home and abroad for its superb performance, durability, reliability and economy.
The engine is a vertical, single-acting, 4-stroke cycle diesel which is available in a series of models with or without a turbo blower.
The engine is used extensively as a marine main engine, marine auxiliary engine, factory main generator, emergency generator for buildings, and as a power plant for various industrial uses.
The engine body is a one-piece cast iron structure, which is designed to be sturdy and com-pact for high-speed operation. The engine is also designed for ease of handling, maintenance and inspection.
In addition, the engine has the following performance features.
(1) The engine is mass-produced so that the cylinder heads, cylinder liners, pistons, crankshaft, connecting rods and other major parts and valves of the same size are interchangeable.
(2) The major rotating parts of the engine are well balanced to minimize vibration and noise during engine operation. (3) The engine is direct injection type and starts easily even in the cold season.
(4) The Bosch type fuel injection pumps are simple in structure and easy to adjust.
(5) The engine is coupled as a marine auxiliary engine to a standard, single-bearing generator with a self-exciter into a compact marine generator under a technical tieup with a generator manufacturer, and is available in a series of models (CNS Series).

Engine construction
(1) Crankcase and oil pan
The crank room is formed by the cylinder column, which holds cylinder liner and the cylinder crankshaft, and the oil pan, both of which are assembled into one-piece construction. The crankshaft is held by so-called hunger type bearings in the cylinder culumn. The liner are so-called wet liners forming water jackets with the inner surface of the cylinder column to improve liner cooling.
The lower neck in the liner hole has two O-ring and square ring to separate the water jacket from the crankcase.

ON the left side of the cylinder column is the intake and exhaust valve device which is connected to the camshaft via a bearing. In rear of the crankcase is the gear case which houses various gears, and may be connected the flywheel case where necessary.
On the top of the cylinder column there are six bolts for each cylinder for tightening the cylinder heads, and also special metal parts for feeding lubricating oil and cooling water to the cylinder heads. The oilpan is bolted to the bottom of the crankcase. Made of steel plates, the oil pan has the suction pipe for the main lubricating oil pump and the suction pipe for the standby lubricating oil pump which serves also as a lubricating oil drain pipe inside. The pipe ends are fitted with a suction filter.
(2) Cylinder heads
The cylinder heads are a one-piece, single cylinder type. They are mounted with copper ring gaskets on the cylinder column by means of 6 bolts each, and form the main combustion chambers with the top of each piston. The cylinder head is provided with two intake valves and two exhaust valves, a fuel injection valve, etc.
The intake and exhaust valves are made of special heat-resistant steel, and are reinforced with a layer of stellite where they come into contact with the valve seats and rocker arms. The cylinder heads use valve seats of special-steel. and exhaust valves have valve rotators which automatically rotate the valves as the valves are opened and closed.

This provides sufficient valve durability against gas blowout.
The inside of the cylinder head is lubricated by a forced lubricating system which feeds lubricating oil through a special metal part. The cylinder head is totally enclosed inside.
A decompression plug which is used in engine turning, etc. is provided on the cylinder head side.
(3) Pistons and connecting rods
The pistons and are made of special cast iron or cast F.C.D depending on what purpose the engine will be used for. Each piston has three compression rings and one oil ring. The top compression ring is chromed and this reduces wear considerably.
The oil ring is a so-called coil expander ring having a built-in coil spring for added tension. The pistions are connected. to the connecting rods with piston pins

The connecting rods are made of especially tough steel, forged to have an I-shaped cross section. No drill hole is made in the connecting rod to maintain the durability of the crank pin metal. The small end bushing is splash lubricated by jet cooling.
The connecting rods are connected to the crankshaft at their large end. The large end, which consists of two parts, is assembled with two cap bolts.
The bearings are made of thin 3-Layer metal to assure sufficient durability against large loads. The large end is an important part, which is one of three internal engine parts that are often disassembled.
For this reason the bolts must be torqued to the specified value. As mentioned before, these cap bolts are important and will often have to be removed so that care must be exercised when disassembling and assembling the large ends of the connecting rods. The bolts are punched with match marks for location identification. The cap bolts must be replaced with new ones after a specific period of use like some other parts.
(4) Crankshaft
The crankshft is a one-piece die-forged shaft or a free-forged shaft with 8 balance weight of special steel.

The crank journals and pins are carburized and precision-finished by grinding the outside surfaces. The crankshaft is well balanced to eliminate harmful vibrations at high speed.
The crank journals carry 3-layer (kelmet-metal) thin bearings. This and the hardened journals of the crankshaft assure ample strength against great loads. The bearings are complete units so that they can be easily replaced and offer sufficient accuracy.
The output end of the crankshaft is fitted with the flywheel and starting ring gear. Where necessary, a mass plate or a silicon damper is attached to that end of the crankshaft.
(5) Gear Train
The gear train is housed in a crankcase on the output end of the engine, and drives the camshaft, fuel injection pump, lubricating oil pump and cooling water pump.

The intermediate gears for driving the camshaft, fuel injection pump, etc. must be accurately timed so that each of these gears is punched with match marks on its teeth.
All the gears are made of carefully selected materials and their teeth appropriately shaped and treated to assure ample strength at high-speed, large-load operation and to minimize noise. The gear carries various devices on the outside.
(6) Starting system
The standard starting system for this engine is an air motor starting system using com-pressed air or a electrical starting system using sell-motor.

The air motor is started by low-pressure air of 12 kg/cm2 which is fed through a quick valve to drive the vane type air motor, which drives the ring gear on the crankshaft via a pinion to start the engine.
The system has been favorably accepted by many customers for many features which include simpler construction than that of other systems and easy maintenance and inspection.
(7) Fuel control device
The fuel control device is located on the right side of crankcase. The engine can be idled or run at the rated speed. with a single handle. A fine adjustment of the rated speed can also be made easily.
Depending on customer specifications, a fine adjustment of the engine speed can be made with a motor by remote control.
The stop handle is located close to the engine speed adjusting lever. The starting handle is arranged compactly in a single place for easy handling.
(8) Fuel oil system
The fuel oil system includes filters, feed pump, fuel injection pump, fuel injection piping, nozzle holders, nozzles, etc. Two kinds of filters are used. The first filter is an auto-clean type, which removes relatively large foreign particles from the fuel oil, and can be cleaned without disassembling even when the engine is running.
The second filter (for regularly used engines only) is a wire type consisting of two filters, one of which may be opened for cleaning while the engine is running. The second filter removes fine foreign particles.
The feed pump is built inside the fuel injection pump. It is a plunger type pump driven by the camshaft which runs through the fuel injection pump. Even when the engine is not running, the plunger can be manually moved for making various kinds of checks on the fuel oil system.
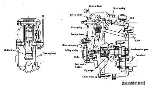
(9) Fuel injection pump, nozzles and governor
The fuel injection pump is a Boech 6-cylinder one-piece type, to which the governor and feed pump are directly connected.

The fuel injection pump is installed on the right side of the engine ) as viewed from the front of the engine), and driven from the the plungers in the firing order of the cylinders to generate high-pressure fuel oil. Fuel oil quantity can be uniformly changed automatically by turning the plungers with the rack.
A fuel injection valve is of automatic type and has such a construction as possible to be adjusted to the specified injection pressure with a spring, providing the best injection of fuel and perfect combustion is assured with whatever load you may operate the engine.

The governor is a centrifugal governor which is directly mounted on the fuel injection pump, and has a control lever for engine speed control and a stop lever for stopping the engine.. The governor shaft, whose speed is increased by a gear on the camshaft of the fuel injection pump, has governor weights; the rack is automatically adjusted by the balance between governor springs and the centrifugal force of the governor weights to maintain uniform engine speed.
(10) Lubricating oil system
The lubricating oil in the oil pan is pumped up by the main lubricating oil pump via the strainer in the oil pan, running through the oil cooler and lubricating oil filter into the main pipe, which is cast into the crankcase, to lubricate various parts of the engine, and then returning to the oil pan. It is a forced lubricating system.
The internal working parts have drilled holes for letting the lubricating oil flow. The lubricating oil pump is a gear pump which is mounted to the gear case and driven by the drive gear.
The discharged lubricating oil is regulated to the correct pressure by the pressure regulating valve mounted on the blaket for the lubricating oil filter. The lubricating oil filter is a twin, notch-wire type. Installed on the right side of the crankcase. any one of the twin filters can be removed for cleaning by turning the changeover-cock-even when the engine is running. The lubricating oil cooler (shell tube type) has excellent cooling performance.
(11) Cooling water system
Cooling water pump The cooling water system is the fresh water secondary cooling system. The cooling water pump is directly mounted to the gear case and is driven with a gear.
The fresh water pump is a centrifugal pump Oil seals are used for preventing oil leakage. Mechanical seals are used for completely preventing water leakage and for preventing damage to the shaft. The fresh water discharged out of the fresh water pump enters the crankcase and flow through the cylinder jacket, cylinder head and water-cooled exhaust pipes before entry to the fresh water cooler. The fresh water then passes through the passage in the crankcase and is led to the fresh water pump.
• Seawater pump
A Wesco pump is used. This pump is divided into a vacuum chamber and a pressure chamber, and pressure chamber is equipped with an external casing which also functions as an air-water separation chamber. When the engine is started with priming sufficiently made through the external casing, water containing air bubbles is fed to the separation chamber from the pump casing because of revolution of the impeller. The air is discharged to the exterior of the pump barrel from the separation chamber and water only is delivered to the impeller from the separation chamber. This cycle is repeated and the automatic exhaust valve or the delivery port and pumping is finally performed. Even when running of the pump is suspended, water that is required for the self-priming action for the next running will remain in the casing. At the next time and subsequent. Therefore, the pump operates in a manner that is equal to that of a usual centrifugal pump.

Fresh water cooler
The fresh water cooler is located on the rear face of the crankcase.
The fresh water cooler is of tube type and incorporates an expansion tank chamber in the upeer part and a thermostat on a side face. The topmost part of the fresh water cooler is equipped with a pressure control valve (also used as the cap for replenishment of fresh water) and the fresh water temperature is controlled in the range of 65~76℃ by means of the thermostat. Be sure to check the fresh water level by observing the water level gauge or with the pressure control valve cap removed before start of operation. If the water level is low, replenish fresh water up to the level of the cap seal. The side cover contains zinc for corrosion protection. Inspect it from time to time. Draining of the fresh water will be smooth if that cap is removed. When the fresh water is drained while it is hot, steam may jet out when the pressure control valve cap is removed. Cover up the filler port with rag or other suitable means in such a case.

'자동차 & 선박 디젤 엔진 ' 카테고리의 다른 글
| ship engine Fuel Oil, Lubricating Oil and Cooling Water (0) | 2019.04.19 |
|---|---|
| SHIP Turbo blower(TURBO CHARGER), Air cooler, Exhaust manifold (0) | 2019.04.19 |
| INSTRUCTION MANUAL HEAVY DIESEL ENGINES!! (0) | 2019.04.10 |
| 기계 가공 용어, 기계 용어,기계 공학 용어, 가공 기호 단어 완벽 정리 !! (0) | 2019.04.03 |
| 어려운 cnc 선반 교육 자료, 제작 용어, 단어 학습해 보도록 할까요?(N~S) (0) | 2019.04.03 |
- Total
- Today
- Yesterday
- 속도조절
- bmw리콜
- 로또박사
- 해양플랜트
- 연금복권 당첨번호
- 조선말
- 조선
- 로또당첨번호
- 해양조선
- 오늘운세
- 배기
- 해양용어
- 의장
- 엔진 정비
- 선박용어
- 흡기
- 선박단어
- 꿈풀이
- 인물꿈
- 선박부품
- 거버너
- 흡배기
- 조선단어
- 해양언어
- 선박
- 디젤엔진
- 조선용어
- 꿈해몽
- 로또1등당첨지역
- 해양단어
| 일 | 월 | 화 | 수 | 목 | 금 | 토 |
|---|---|---|---|---|---|---|
| 1 | 2 | 3 | ||||
| 4 | 5 | 6 | 7 | 8 | 9 | 10 |
| 11 | 12 | 13 | 14 | 15 | 16 | 17 |
| 18 | 19 | 20 | 21 | 22 | 23 | 24 |
| 25 | 26 | 27 | 28 | 29 | 30 | 31 |